Honda Xr200 Wiring Diagram, Skygo150 Voltage Regulator for XR200/Actual Wiring/Honda XR200 Modified/Supermoto/DIY Garage PH, 10.03 MB, 07:18, 10,383, D I Y Garage PH, 2021-01-23T08:48:03.000000Z, 19, Iam looking for a 1982 honda xr200 wiring diagram, www.justanswer.com, 904 x 703, jpeg, wiring diagram 1982 honda xr200 xt200 yamaha manual iam motorcycle looking 1981 mechanic bikee wire, 20, honda-xr200-wiring-diagram, Anime Arts
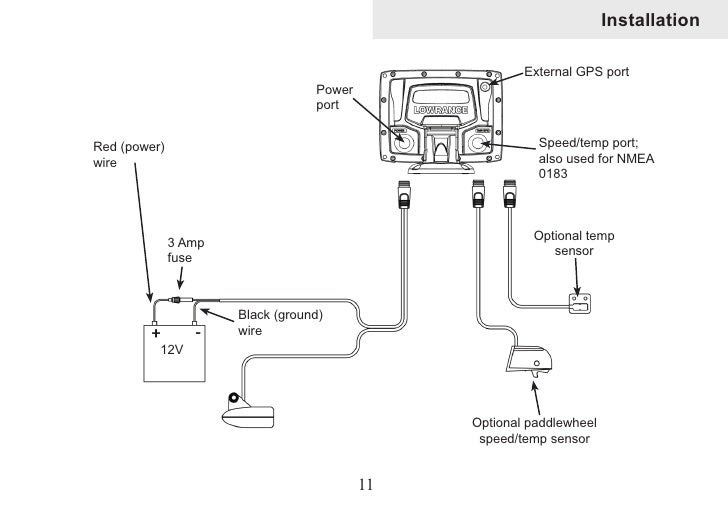
Connect the black wire to a ground. Attach a 3 amp fuse to the end of the power wire and then connect the fuse to the positive (+) terminal on the battery. Connect the power cable to the power port on the back of the display unit. Use 18 gauge wire to extend the power or ground wires.
28/03/2018 · lowrance hds 5 wiring diagram lowrance hds 5 installation instructions manual view and lowrance hds 5 wiring diagram diagrams lowrance elite 5x. Connect the black wire to a ground. Elite 4x dsi, mark 5x. Lowrance nmea hds lcx networking troubleshooting schemas. Lowrance help topics, networking diagrams, troubleshooting Elite 5 ping speed (advanced mode only) controls the rate the transducer uses to send sonar waves into the water. Custom range menu sonar options menu accesses sonar display settings frequency and configuration options. Controls the transducer frequency used by. For the elite 5 x dsi and also i am a little confused on the electrical hook up.
Lowrance Elite 5 Dsi Wiring Diagram - NormAdam
Lowrance Elite 5 Dsi Wiring Diagram - NormAdam
Lowrance Elite 5 Hdi Wiring Instructions

Lowrance Elite 5 Chirp Wiring Diagram
Lowrance Elite 5 Chirp Wiring Diagram
Lowrance Elite 5 Hdi Wiring Instructions

Connessione con Lowrance Elite 5 - Sonar Server Italian

Lowrance Elite 5 Dsi Wiring Diagram - NormAdam

Lowrance Elite 5 Chirp Wiring Diagram
